Opis produktu
Właściwości i zastosowanie:
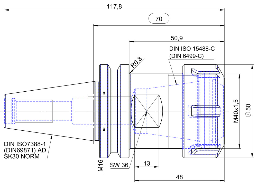
- Precyzyjna oprawka narzędziowa do tulejek zaciskowych ER32.
- Uchwyt stożkowy ISO 7388-1 DIN 69871 z kołnierzem bez rowków pod kamienie zabierakowe.
- Narzędzie wykonane z hartowanej stali o twardości HRC 58 ± 2.
- Oprawka wyważona do G2,5 (25000 obr./min)
- Wewnętrzne doprowadzenie chłodziwa centralnie przez wrzeciono.
- Oprawka ze stożkiem DIN 30 często stosowane jest w różnego rodzaju ploterach.
Dane techniczne:

| Parametr | Wartość |
|---|---|
| Stożek (7:24) | DIN ISO 7388-1 DIN 69871 SK30 |
| Typ tulejki | ER32 (2 - 20 mm) |
| Długość robocza | 70 mm |
| Średnica nakrętki | 50 mm |
| Waga | 0,7 kg |
| Nr katalogowy | 302.02.70.ON |
Informacje techniczne: chwyt VDI (DIN69880)
Instrukcje obsługi