Opis produktu
Właściwości i zastosowanie:
- Małe imadło ze stali nierdzewnej EDM do obróbki na elektrodrążarkach.
- W imadle zastosowano mechanizm bezśrubowy do szybkiego przesuwania szczęki.
- Stal hartowana do twardości HRC 58-62
- Odchyłka równoległości - 0,005mm/100mm.
- Odchyłka kwadratowości - 0,005mm.
- Twardość powierzchni roboczych 58-62 HRC.
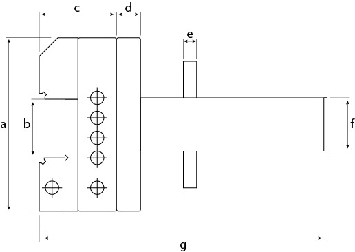
Dane techniczne:

| Parametr | Wartość |
|---|---|
| a | 65 mm |
| b | 0 - 22 mm |
| c | 29 mm |
| d | 9 mm |
| e | 5 mm |
| f | 20 mm |
| g | 108 mm |
Zasada działania imadła SPZB:
1. Poluzowanie szczęki
2. Zwiększenie kąta przyłożenia klucza imbusowego
3. Wyłączenie blokady wskutek zeskoku kołka ustalającego z zębatki
4. Odsunięcie szczęki
5. Umiejscowienie detalu
6. Wstępne dosunięcie szczęki (kołek ustalający samoczynnie wpada w zębatkę
7. Dokręcanie śruby
8. Precyzyjne dociśnięcie szczęki
Instrukcje obsługi