Nie znaleziono produktów
          Wyszukiwanie zaawansowane
          Wyszukiwanie

          Nakrętka rowkowa M16x1,5, ze stali hartowanej - ELESA + GANTER DIN 1804-M16x1,5-H

          (0) opinii
          ELG_DIN-1804-M16x1,5-H
          Producent: ELESA+GANTER
          45,74
          37,19
          • 3-4 dni
          • Przewidywany czas wysyłki: 17 kwietnia 2026
          • Najtańsza forma dostawy: InPost Paczkomat® 24/7 - 17,00 zł

          Opis produktu

          Właściwości i zastosowania:

          • Stal:
            • Hartowana HRC 60 ± 2 (gwint niehartowany)
            • Wytrzymałość na rozciąganie - klasa 5 (500 N/mm²)
            • powierzchnia współpracująca szlifowana
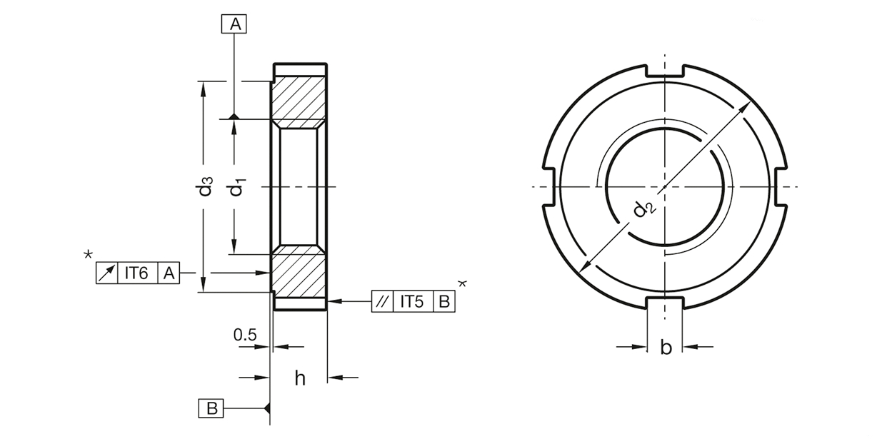
            • W nakrętkach rowkowych DIN 1804 czoło osadcze d3 jest powierzchnią roboczą

           

          Tabela wymiarów:

          Nakrętki rowkowe
          Parametr Wartość
          Oznaczenie DIN 1804-M16x1,5-H
          d1 M16x1,5 mm
          d2h11 32 mm
          d3 27 mm
          b 5 mm
          h2h14 7 mm
          Waga 0,03 kg

           

          Właściwości i zastosowania:

          • Typ H: stal hartowana
          • Typ W: stal niehartowana
          • Typ WNI: stal nierdzewna, niehartowana

           

          Instrukcje obsługi
           

          Specyfikacja produktu

          Typ rowkowa
          Producent: ELESA+GANTER POLSKA SP. Z O.O.
          Adres: ul. Słoneczna 42a, Stara Iwiczna | 05-500 Piaseczno
          Kraj pochodzenia: Polska
          Kontakt: +48 22 737 70 47, egp@elesa-ganter.com.pl
          Ostatnio oglądane produkty
          Ściernica trzpieniowa walcowa 25 x 40 x 6 mm | typ 5210 | 95A60K5VTE10 - ANDRE 550222
          Ściernica trzpieniowa walcowa 25 x 40 x 6 mm | typ 5210 | 95A60K5VTE10 - ANDRE 550222

          Typ 5210; Wymiary: 25 x 40 x 6 mm; Materiał: elektrokorund zwykły; Ziarno materiału ściernego: 60

          Szczegóły
          6,20
          5,04
          Sprawdzian trzpieniowy do gwintów drobnozwojowych M18 x 1,25 | MSBG | klasa 6e | Typ Go | ISO1502 - INSIZE 4677-18QE
          Sprawdzian trzpieniowy do gwintów drobnozwojowych M18 x 1,25 | MSBG | klasa 6e | Typ Go | ISO1502 - INSIZE 4677-18QE

          Specjalistyczne narzędzie pomiarowe do gwintów | trzpieniowy | M18 x 1.25 | ISO1502 | MSBG

          Szczegóły
          516,21
          419,68
          Sprawdzian trzpieniowy do gwintów drobnozwojowych M18 x 1,5 | MSBG | klasa 6g | Typ No-Go | ISO1502 - INSIZE 4677-18RN
          Sprawdzian trzpieniowy do gwintów drobnozwojowych M18 x 1,5 | MSBG | klasa 6g | Typ No-Go | ISO1502 - INSIZE 4677-18RN

          Specjalistyczne narzędzie pomiarowe do gwintów | trzpieniowy | M18 x 1.5 | ISO1502 | MSBG

          Szczegóły
          330,88
          269,01

          Poniżej podstawowe opcje wysyłki oraz tabela kosztów.
          Koszt dokładny widać po dodaniu produktu do koszyka i wybraniu opcji płatności i dostawy.

          Zamówienia od kwoty 400,00 zł i wadze nie przekraczającej 31 kg - TRANSPORT GRATIS.

          W przypadku zakupu przedmiotów ponadgabarytowych koszt transportu będzie ustalany indywidualnie.

          Waga [kg] Przedpłata Pobranie
          0 - 0,5 18 zł 20,0 zł
          0 - 10,00 21 zł 24,5 zł
          10,01 - 31,00 25 zł 28,3 zł
          31,01 - 50,00 118 zł 125 zł
          50,01 - 300,00 190 zł 220 zł
          301,00 - 600,00 220,00 zł  

          Podane ceny zawierają podatek VAT. Paczki, których waga przekracza 31 kg wysyłane są na palecie.

          Sklep e-darmet.pl nie ma wpływu na konkretną godzinę dostarczenia przesyłki przez firmy kurierskie. W momencie wyjścia paczki z magazynu wysyłamy wiadomość e-mail, w której podajemy numer listu przewozowego. Kurier ma obowiązek dostarczyć przesyłkę w ciągu jednego do dwóch dni roboczych.

          Oferujemy następujące metody płatności:
          • płatność online kartą / szybkim przelewem / PayPo
            Wpłata za pomocą systemu przelewy24.pl - szybkie przelewy lub płatność odroczona przy pomocy systemu PayPo!
          • płatność u kuriera
            Opłatę należy uiścić kurierowi, który doręcza przesyłkę
          • wpłata na konto
            Oczekuj na dane do przelewu. Po zaksięgowaniu wpłaty na naszym koncie, zrealizujemy Twoje zamówienie!
          • płatność gotówką/kartą
            Płatności gotówką/kartą przy odbiorze można dokonać przy osobistym odbiorze zamówienia w punkcie odbioru.

          Na podany adres e-mail zostanie wysłane powiadomienie, gdy produkt będzie dostępny w naszym magazynie

          Nakrętka rowkowa M16x1,5, ze stali hartowanej - ELESA + GANTER DIN 1804-M16x1,5-H
          Nakrętka rowkowa M16x1,5, ze stali hartowanej - ELESA + GANTER DIN 1804-M16x1,5-H