Opis produktu
Właściwości i zastosowanie:
- Typ: 7651 – oprawka frezarska Power Milling Chuck
- Chwyt narzędzia: do narzędzi z chwytem cylindrycznym
- System mocowania: mechaniczny zacisk 360° zapewniający bardzo dużą siłę trzymania narzędzia
- Chłodzenie: A – bez chłodzenia, przeznaczona do pracy w suchym procesie obróbki lub z chłodziwem zewnętrznym
- Dokładność bicia promieniowego: wysoka precyzja prowadzenia narzędzia podczas obróbki
- Wyważenie: G2.5 przy 25 000 obr./min – przystosowana do pracy z wysokimi prędkościami
- Konstrukcja: sztywna i odporna na drgania, zapewniająca stabilną pracę podczas intensywnego frezowania
- Mocowanie bezpośrednie: narzędzie montowane bez użycia tulejek zaciskowych
- Przeznaczenie: frezy trzpieniowe, wiertła, rozwiertaki oraz inne narzędzia z chwytem walcowym
- Zastosowanie: centra obróbcze CNC, frezarki konwencjonalne oraz operacje wymagające dużej sztywności mocowania
- Korzyści: wysoka stabilność procesu obróbki, redukcja drgań, pewne mocowanie narzędzia oraz wydłużona żywotność narzędzi

| Parametr | Wartość |
|---|---|
| K HSK-A | 100 |
| d | 32 mm |
| A | 120 mm |
| D | 69 mm |
| Kod produktu | 0642 176 510 402 |
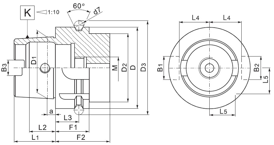
Chwyt HSK-A do wymiany automatycznej - właściwości

| Parametr | Wartość |
|---|---|
| K HSK-A | 100 |
| D | 100 mm |
| D1 | 75 mm |
| D2max. | 85 mm |
| D3 | 109,75 mm |
| B1 | 22 mm |
| B2 | 20 mm |
| B3 | 20,02 mm |
| a | 10 mm |
| d7 | 7 mm |
| L1 | 50 mm |
| L2 | 28,56 mm |
| L3 | 20 mm |
| L4 | 44 mm |
| L5 | 31,5 mm |
| F1 | 29 mm |
| F2 | 45 mm |
| M | M24x1,5 |
- Materiał: stal stopowa chromowo-manganowa
- Nawęglane na głębokość 0,7 mm
- Hartowane i precyzyjnie szlifowane
- Twardość powierzchni 58±2 HRC
- Tolerancja kąta stożka AT3
- Wyważane w klasie G 2,5/25 000 obr/min
Instrukcje obsługi