Nie znaleziono produktów
          Wyszukiwanie zaawansowane
          Wyszukiwanie

          Przyrząd frezarski samocentrujący 3-szczękowy 275 mm ze szczękami dzielonymi - BISON Typ 9416-250 FM US

          (0) opinii
          BIS_398267711900
          Producent: BISON S. A.
          9621,86
          7822,65
          • 2-3 dni
          • Przewidywany czas wysyłki: 17 kwietnia 2026
          • Najtańsza forma dostawy: Kurier (do 40 kg) - 118,00 zł
          • Produkt gabarytowy: Niedostępna dostawa do paczkomatu

          Opis produktu

          Właściwości i zastosowanie:

          • Przyrząd frezarski w postaci uchwytu tokarskiego spiralnego ze szczękami dzielonymi, zintegrowanego z podstawą
          • Posiada napęd mechanizmu od czoła przyrządu, można stosować standardowy klucz ze sprężyną lub pokrętło zapadkowe z nasadką
          • Bezkonkurencyjną zaletą prezentowanych przyrządów frezarskich jest ich szeroki zakres mocowania oraz skok szczęk pozwalający na mocowanie detali o różnorodnych gabarytach bez konieczności zmiany czy posiadania dużej ilości kompletów szczęk
          • Przyrząd jest uszczelniony przeciw wiórom, środek poprzez pokrywkę, a prowadnice przez dodatkowe zęby na szczęce
          • Do ustalenia i mocowania posiada dwa kamienie oraz 4 wybrania pod śruby mocujące. Istnieje możliwość mocowania za kołnierz przyrządu poprzez łapy dociskowe do stołu obrabiarki
          • Przyrząd jest niski, co przy obrabiarkach z małym przesuwem w osi Z jest dużą zaletą, gdyż nie ogranicza ruchów maszyny jak uchwyt z podstawą
          • Przy wymaganym jak najniższym profilu można zastosować standardową szczękę miękką od uchwytów 3200 i odpowiednio ją zarobić
          • W zależności od adaptacji może być stosowany na stołach frezarek, wieżach teowych, stołach wiertarek, szlifierkach do płaszczyzn

           

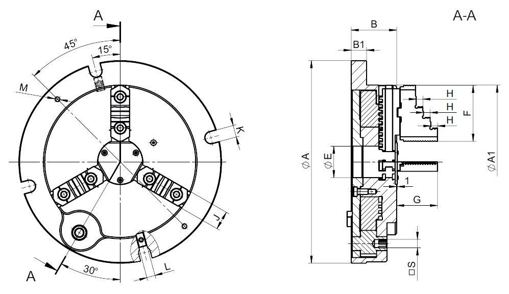
          Tabela wymiarów:

          Przyrząd frezarski
          Parametr Wartość
          Typ 9416-250 FM US
          Nr produktu 329416240900
          A 350 mm
          A1 275 mm
          B 73 mm
          B1 22 mm
          E 57 mm
          F 95 mm
          G 63,6 mm
          H 12 mm
          J 32,5 mm
          K 20 mm
          L 18 mm
          M M8
          S 14 mm
          n x J 3
          Waga 37,8 kg

          Zakres mocowania

          Zakres mocowania
          Parametr Wartość
          Typ 9416-250 FM US
          d1 60÷98 mm
          d2 108÷145 mm
          d3 143÷180 mm
          d4 178÷216 mm
          d5 66÷105 mm
          d6 141÷179 mm
          d7 178÷216 mm
          d8 214÷250 mm

           

          Wyposażenie standardowe

          • klucz trzpieniowy typu “T”
          • grzechotka 1/2” z wewnętrznym czworokątem
          • adapter S na 1/2
          • śruba z uchem (tylko 250 oraz 315) -2 szt.

           

          Instrukcje obsługi
           
          Producent: BISON S.A.
          Adres: ul. Myśliwska 13, 15-569 Białystok
          Kraj pochodzenia: Polska
          Kontakt: +48 85 741 64 20, sales@bison-chuck.com

          Poniżej podstawowe opcje wysyłki oraz tabela kosztów.
          Koszt dokładny widać po dodaniu produktu do koszyka i wybraniu opcji płatności i dostawy.

          Zamówienia od kwoty 400,00 zł i wadze nie przekraczającej 31 kg - TRANSPORT GRATIS.

          W przypadku zakupu przedmiotów ponadgabarytowych koszt transportu będzie ustalany indywidualnie.

          Waga [kg] Przedpłata Pobranie
          0 - 0,5 18 zł 20,0 zł
          0 - 10,00 21 zł 24,5 zł
          10,01 - 31,00 25 zł 28,3 zł
          31,01 - 50,00 118 zł 125 zł
          50,01 - 300,00 190 zł 220 zł
          301,00 - 600,00 220,00 zł  

          Podane ceny zawierają podatek VAT. Paczki, których waga przekracza 31 kg wysyłane są na palecie.

          Sklep e-darmet.pl nie ma wpływu na konkretną godzinę dostarczenia przesyłki przez firmy kurierskie. W momencie wyjścia paczki z magazynu wysyłamy wiadomość e-mail, w której podajemy numer listu przewozowego. Kurier ma obowiązek dostarczyć przesyłkę w ciągu jednego do dwóch dni roboczych.

          Oferujemy następujące metody płatności:
          • płatność online kartą / szybkim przelewem / PayPo
            Wpłata za pomocą systemu przelewy24.pl - szybkie przelewy lub płatność odroczona przy pomocy systemu PayPo!
          • płatność u kuriera
            Opłatę należy uiścić kurierowi, który doręcza przesyłkę
          • wpłata na konto
            Oczekuj na dane do przelewu. Po zaksięgowaniu wpłaty na naszym koncie, zrealizujemy Twoje zamówienie!
          • płatność gotówką/kartą
            Płatności gotówką/kartą przy odbiorze można dokonać przy osobistym odbiorze zamówienia w punkcie odbioru.

          Na podany adres e-mail zostanie wysłane powiadomienie, gdy produkt będzie dostępny w naszym magazynie

          Przyrząd frezarski samocentrujący 3-szczękowy 275 mm ze szczękami dzielonymi - BISON Typ 9416-250 FM US
          Przyrząd frezarski samocentrujący 3-szczękowy 275 mm ze szczękami dzielonymi - BISON Typ 9416-250 FM US