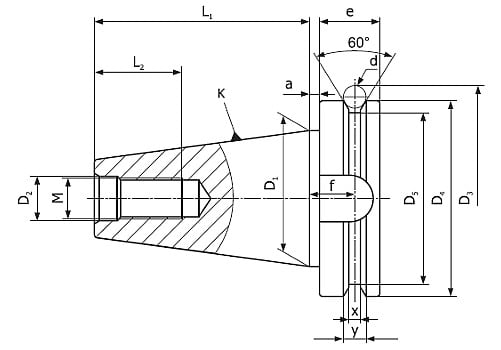
CHWYT BT - MAS 403 BT
Do automatycznej albo ręcznej wymiany narzędzi stosowane są uchwyty ze stożkiem niesamohamownym, zwłaszcza BT inaczej zwane MAS 403-BT albo JIS B6339.
Chwyty narzędzi według MAS 403-BT są wyposażone w sworznie dociągające i przy zastosowaniu wymiennika narzędzi mogą być bardzo szybko wymieniane automatycznie.
Powierzchnie robocze nie zostały poddane procesowi oksydowania, co ułatwia mocowanie. Pozostałe powierzchnie oprawek, za wyjątkiem oprawek o dużej wydajności, powleczono czernią tlenkową. Wewnętrzne doprowadzenie chłodziwa jest standardową funkcją oprawek narzędziowych, których konstrukcja umożliwia jego stosowanie (AD). Chłodzenie typu AD/B jest kombinacją otworu przelotowego (AD) do centralnego doprowadzania cieczy chłodząco-smarującej lub centralnego doprowadzania cieczy chłodząco-smarującej bocznie, przez kołnierz (B).
Zaletami stożków niesamohamownych są symetryczna konstrukcja, łatwość produkcji i samoczynne centrowanie.
![]() ![]() |
||||||||||||||||
|
K
|
a [mm] |
B [mm] |
d [mm] |
D1 [mm] |
D2 [mm] |
D3 [mm] |
D4 [mm] |
D5 [mm] |
e [mm] |
f [mm] |
x [mm] |
y [mm] |
L1 [mm] |
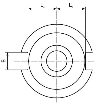
L2 [mm] |
L3 [mm] |
M
|
|---|---|---|---|---|---|---|---|---|---|---|---|---|---|---|---|---|
| 30 | 2 | 16,1 | 8 | 31,75 | 12,5 | 56,1 | 46 | 38 | 20 | 13,6 | 4 | 8 | 48,4 | 24 | 16,3 | M12 |
| 40 | 2 | 16,1 | 10 | 44,45 | 17,0 | 75,6 | 63 | 53 | 25 | 16,6 | 5 | 10 | 65,4 | 30 | 22,6 | M16 |
| 50 | 3 | 25,7 | 15 | 69,85 | 25,0 | 119,0 | 100 | 85 | 35 | 23,2 | 7 | 15 | 101,8 | 45 | 35,4 | M24 |

