Opis produktu
Właściwości i zastosowanie:
- Precyzyjne i trwałe szczęki tokarskie jednolite twarde wewnętrzne.
- Szczęki lewe doskonale nadają się do mocowania detali o dużych średnicach.
- Dopasowane do uchwytów samocentrujących spiralnych 80 mm typu 32** i 35**, co zapewnia stabilność oraz precyzyjne mocowanie obrabianych elementów.
- Wytrzymałość na lata: Wykonane z wysokiej jakości stali, która gwarantuje odporność na zużycie i intensywną eksploatację.
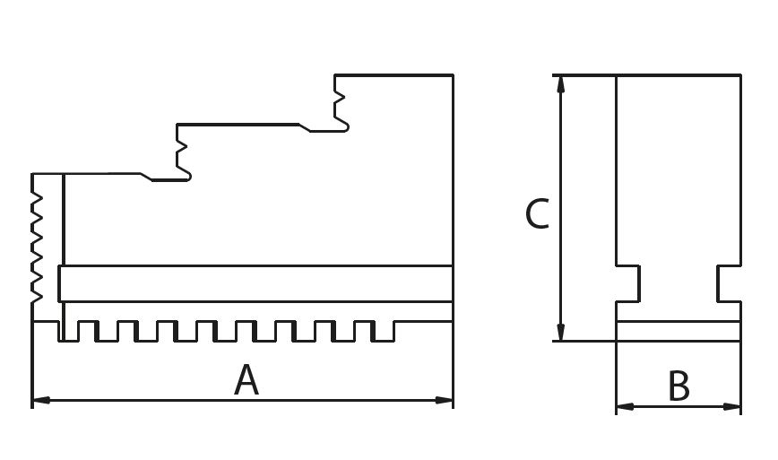
Dane techniczne:

| Parametr | Wartość |
|---|---|
| Rozmiar (Ø) [mm] | 80 |
| A [mm] | 32 |
| B [mm] | 11 |
| C [mm] | 28 |
| Waga [kg] | 0,15 |
Zakres mocowania:

| Wielkość uchwytu | Szczęki jednolite | Szczęki dzielone | ||||||||
| d1 | d2 | d3 max. | d4 max. | d5 max. | d1 | d2 | d3 max. | d4 max. | d5 max. | |
| 080 | 2 - 27 | 22 - 46 | 45 - 69 | 25 - 50 | 48 - 71 | - | - | - | - | - |
| 100 | 3 - 33 | 25 - 56 | 56 - 87 | 32 - 62 | 62 - 83 | - | - | - | - | - |
| 125 | 3 - 50 | 34 - 74 | 72 - 115 | 39 - 83 | 80 - 125 | 3 - 50 | 34 - 76 | 75 - 118 | 52 - 96 | 95 - 125 |
| 160 | 4 - 64 | 42 - 100 | 94 - 154 | 50 - 107 | 98 - 160 | 3 - 64 | 42 - 97 | 88 - 146 | 62 - 121 | 115 - 160 |
| 200 | 4 - 90 | 52 - 135 | 120 - 202 | 60 - 145 | 130 - 200 | 4 - 90 | 50 - 130 | 105 - 190 | 72 - 156 | 133 - 200 |
| 250 | 5 - 118 | 62 - 174 | 145 - 256 | 77 - 188 | 86 - 197 | 5 -118 | 58 - 165 | 125 - 235 | 86 - 197 | 160 - 250 |
| 315 | 10 - 131 | 78 - 200 | 172 - 299 | 90 - 215 | 190 - 315 | 10 - 131 | 65 - 182 | 145 - 265 | 103 - 226 | 190 - 315 |
W 1840 r. Simon Fairman opatentował pierwszy ręcznie obsługiwany uchwyt tokarski. W 1848 roku opatentowany przez Fairmana uchwyt był produkowany przez firmę Oliver Snow & Co; do 1856 roku uchwyt był produkowany przez firmę J. W. Fairman & Co. W 1862 roku mechanik Austin F. Cushman - który był zięciem Simona Fairmana - pożyczył pieniądze od Samuela Woodruffa z Woodruff & Beach Iron Works, kupił małą tokarkę, ustawił ją z napędem nożnym w sypialni swojej kamienicy i zaczął produkować uchwyty spiralne w oparciu o patent Fairmana. Cushman wprowadził ulepszenia do projektu, jak widać w jego patencie z 1865 roku. Od 1862 r. do rejestracji w 1885 r. firma działała pod nazwą A. F. Cushman.
Instrukcje obsługi