Opis produktu
Właściwości i zastosowanie:
-
- Materiał: wysokowytrzymała stal stopowa hartowana, precyzyjnie szlifowana i dynamicznie wyważana – zapewnia dużą odporność na obciążenia udarowe i długą żywotność oprawki
- Interfejs: DIN 69871-AD (Double Contact) – podwójny styk stożkowy i czołowy zwiększający sztywność oraz dokładność pozycjonowania w wrzecionie
- Przeznaczenie: trzpień frezarski zabierakowy do frezów nasadzanych z rowkiem zabierakowym wg DIN 138
- Śruba krzyżowa (zabierakowa): zapewnia pewne przenoszenie wysokiego momentu obrotowego, stabilizuje frez w osi oraz zapobiega jego obracaniu się podczas ciężkiej obróbki
- Wyważenie: G2.5 / 25 000 obr./min – przystosowany do pracy przy podwyższonych prędkościach obrotowych oraz do obróbki dynamicznej
- Dokładność wykonania: wysoka współosiowość i powtarzalność montażu, ograniczenie drgań oraz poprawa jakości powierzchni obrabianej
- Konstrukcja wzmocniona: masywny korpus o zwiększonej sztywności – przeznaczony do obróbki zgrubnej i półwykańczającej
- Zakres zastosowań: frezowanie płaszczyzn, rowków, stopni oraz obróbka elementów stalowych, żeliwnych i materiałów o podwyższonej wytrzymałości
- Szczególnie polecany do centrów obróbczych CNC wyposażonych w stożek DIN 69871, w produkcji seryjnej oraz w aplikacjach wymagających stabilności i wysokiej sztywności układu narzędzie–wrzeciono
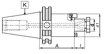
Dane techniczne:

| Parametr | Wartość |
|---|---|
| Chwyt K 7:24 | 40 DC |
| d | 16 mm |
| A | 45 mm |
| l | 17 mm |
| d1 | 38 mm |
| Śruba krzyżowa | U-0620/0 |
| Kod produktu | 0642 173 697 005 |
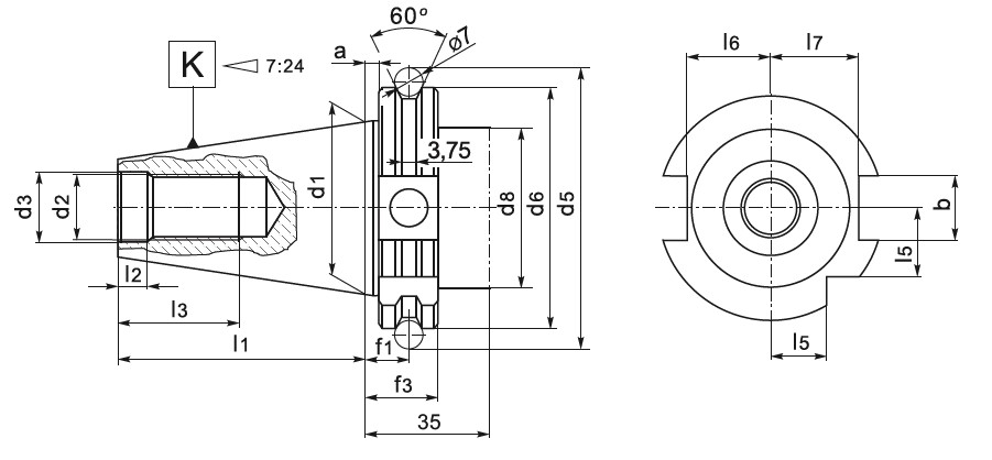
Chwyt stożkowy 7:24 Double contact - wymiary
| Parametr | Wartość |
|---|---|
| K 7:24 | 40 |
| a | 1 mm |
| b H12 | 16,1 mm |
| d1 | 44,65 mm |
| d2 | M 16 |
| d3H7 | 17 mm |
| d5H7 | 72,3 mm |
| d6 | 63,55 mm |
| d8max. | 50 mm |
| f3 | 18,1 mm |
| l1max. | 68,40 mm |
| l2 | 8,2 mm |
| l3 | 32 mm |
| l5 | 18,5 mm |
| l6 | 22,8 mm |
| l7 | 25 mm |
Charakterystyka techniczna wyrobów:
- Materiał: stal stopowa chromowo-manganowa
- Nawęglane na głębokość 0,7 mm
- Hartowane i precyzyjnie szlifowane
- Twardość powierzchni 58±2 HRC
- Tolerancja kąta stożka At3
Korzyści (DC):
- Zwiększona sztywność
- Zwiększona niezawodność mocowania
- Zwiększona dokładność mocowania narzędzia
- Większa dokładność podczas obróbki z dużą prędkością lub w ciężkich warunkach skrawania
- Wydłużona żywotność narzędzia
Instrukcje obsługi