Opis produktu
W艂a艣ciwo艣ci i zastosowanie:
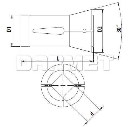
- Automatowa tuleja wykonana wed艂ug DIN 6343 do zaciskania, przesuwania i obróbki d艂ugich pr臋tów.
- Tulejka zaciskowa z gniazdem kwadratowym do stabilnego mocowania elementów.
- Wraz z uchwytem tulejowym zast臋puje standardowe uchwyty tokarskie.
- Nachylenie ko艂nierza wykonano w standardzie pod k膮tem 30°.
- Materia艂 wykonania: stal 65 Mn, cz臋艣ci zaciskowej - HRC 55 - 60, a cz臋艣ci elastycznej - HRC 43 - 48.
- Wykorzystywana w automatach tokarskich, tokarkach i innych maszynach wrzecionowych.
- Zach臋camy do zapoznania si臋 z artyku艂em, które tuleje pasuj膮 do konkretnej obrabiarki.
- Zamienniki modelu 185E.
Dane techniczne:

| Parametr | Warto艣膰 |
|---|---|
| D1 | 66 mm |
| D2 | 84 mm |
| L | 110 mm |
| d | 20 mm |
| Kod produktu | 0642 830 108 267 |
Informacje techniczne tulei automatowych wed艂ug firmy FATPOL.
Instrukcje obs艂ugi