Opis produktu
Właściwości i zastosowanie:
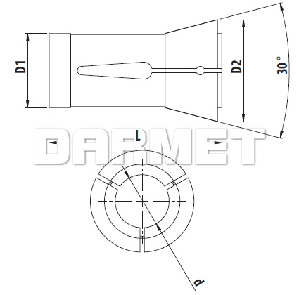
- Automatowa tuleja wykonana według DIN 6343 do zaciskania, przesuwania i obróbki długich prętów.
- Powierzchnia wewnętrzna jest szlifowana z rowkami poprzecznymi (EO), aby precyzyjnie chwytać elementy obrabiane.
- Wraz z uchwytem tulejowym zastępuje standardowe uchwyty tokarskie.
- Nachylenie kołnierza wykonano w standardzie pod kątem 30°.
- Materiał wykonania: stal 65 Mn, części zaciskowej - HRC 55 - 60, a części elastycznej - HRC 43 - 48.
- Wykorzystywana w automatach tokarskich, tokarkach i innych maszynach wrzecionowych.
- Zachęcamy do zapoznania się z artykułem, które tuleje pasują do konkretnej obrabiarki.
- Zamienniki modelu 185E.
Dane techniczne:

| Parametr | Wartość |
|---|---|
| D1 | 66 mm |
| D2 | 84 mm |
| L | 110 mm |
| d | 45 mm |
| Kod produktu | 0642 830 104 222 |
Informacje techniczne tulei automatowych według firmy FATPOL.
Instrukcje obsługi