Opis produktu
Właściwości i zastosowanie:
- Analogowy czujnik Mitutoyo wstrząsoodporny wyposażony w znaczniki tolerancji (zielone elementy).
- Możliwe zamocowanie śruby blokującej z lewej lub prawej strony.
- Łatwy montaż czujnika w statywie z podstawą magnetyczną.
- Zabezpieczenie w postaci uszczelki O-ring zapewnia dodatkową ochronę przez pyłem i wodą.
- Końcówka pomiarowa (z gwintem M2,5x0,45 mm) wykonana z węglików spiekanych.
- Posiada uchwyt na tylnej ściance.
Dane techniczne:

| Parametr | Wartość |
|---|---|
| Zakres | 0 - 10 mm |
| Średnica chwytu | ø8 mm |
| Dokładność | 0,01 mm |
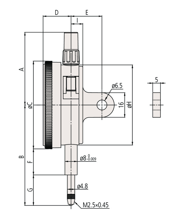
| A | 48,8 mm |
| B | 65,2 mm |
| C | ø57 mm |
| D | 17,7 mm |
| F | 16,9 mm |
| G | 19,8 mm |
| H | 52 mm |
| I | 7,6 mm |
| Podział skali | 0 - 100 |
| Waga | 0,144 kg |
Czujnik zegarowy powstał dzięki pracy XIX-wiecznego zegarmistrza z Nowej Anglii. John Logan z Waltham w stanie Massachusetts złożył 15 maja 1883 r. wniosek patentowy w USA na coś, co nazwał „ulepszeniem przyrządów pomiarowych”. Jego wygląd zewnętrzny nie różnił się od dzisiejszych czujników zegarowych, ale wskazówka (igła wskaźnika) była uruchamiana przez wewnętrzny mechanizm składający się z łańcuszka zegarkowego wokół bębna (trzpienia). Średnica trzpienia określała współczynnik wzmocnienia wskaźnika. Później Logan opracował zespół zębatki i zębnika, który jest obecnie używany w większości mechanicznych czujników zegarowych.
Pełny zakres zastosowań tego urządzenia nie został doceniony przez kolejne 13 lat, kiedy to jeden ze współpracowników Logana, Frank Randall, inny zegarmistrz z E. Howard Watch CO. w Bostonie, kupił prawa patentowe od Logana w 1896 r. Następnie utworzył spółkę z Francisem Stickneyem i rozpoczął produkcję czujników zegarowych dla przemysłu ogólneg
Instrukcje obsługi