Opis produktu
Właściwości i zastosowanie:
- Głowica do gwintowania składa się z oprawki do gwintowania i wkładek szybkowymiennych
- W uchwycie zaciskowym znajduje się urządzenie do kompensacji osiowej
- Szybkowymienne wkładki wyposażone są w sprzęgło przeciążeniowe (w celu zapobiegania złamaniu się gwintownika)
- Stosowana podczas seryjnej pracy na wiertarkach, tokarkach, frezarkach, obrabiarkach ze sterowaniem numerycznym
Dane techniczne:

| Parametr | Wartość |
|---|---|
| Chwyt na stożek Morse'a | MK3 |
| Zakres gwintu | M5 - M16 |
| D | 46 mm |
| D1 | 23,825 mm |
| d2 | 19 mm |
| L | 191 mm |
| L1 | 94 mm |
| Moment obrotowy | 46,3 Nm |
| Waga | 5,0 kg |
Wyposażenie:

| Oprawka do gwintowania | 1 szt. |
| Klucze | 2 szt. |
|
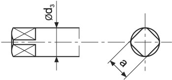
Wkładki szybkowymienne (gwint - d3 x a) |
M5-6 - 6x4,9 |
| M8 - 8x6,2 | |
| M10 - 10x8 | |
| M12 - 9x7 | |
| M14 - 11x9 | |
| M16 - 12x9 |
Zasada działania oprawki do gwintowania
Instrukcje obsługi