Nie znaleziono produktów
          Wyszukiwanie zaawansowane
          Wyszukiwanie

          Podstawa do imadeł, system Zero Point, rozstaw kołków 96 mm - BISON Typ 6589-192x192-96

          (0) opinii
          BIS_326589030000
          Producent: BISON S. A.
          2324,45
          1889,80
          • 2-3 dni
          • Przewidywany czas wysyłki: 18 marca 2026
          • Najtańsza forma dostawy: Kurier gratis (od 400 zł) - 0,00 zł

          Opis produktu

          Właściwości i zastosowanie

          • Podstawa systemu szybkiego bazowania typu Zero Point przeznaczona do montażu imadeł i oprzyrządowania na stołach obrabiarek CNC
          • Umożliwia szybkie zdejmowanie i ponowne montowanie imadeł bez konieczności ich ponownego ustawiania na maszynie
          • Powtarzalność pozycjonowania dzięki precyzyjnym otworom pod kołki bazujące wynosi ok. ±0,005 mm
          • Niska wysokość podstawy (30 mm) pozwala zachować większy zakres pracy narzędzia i jest szczególnie korzystna w obróbce 5-osiowej
          • Kompatybilna z imadłami i przyrządami posiadającymi rozstaw kołków montażowych 96 mm
          • Może współpracować m.in. z imadłami 5-osiowymi BISON z serii 6650 oraz innym oprzyrządowaniem przygotowanym pod system Zero Point
          • Umożliwia przygotowanie oprzyrządowania lub detali poza obrabiarką i szybkie przeniesienie ich na stół maszyny
          • Szczególnie przydatna w produkcji seryjnej oraz przy częstych zmianach oprzyrządowania

           

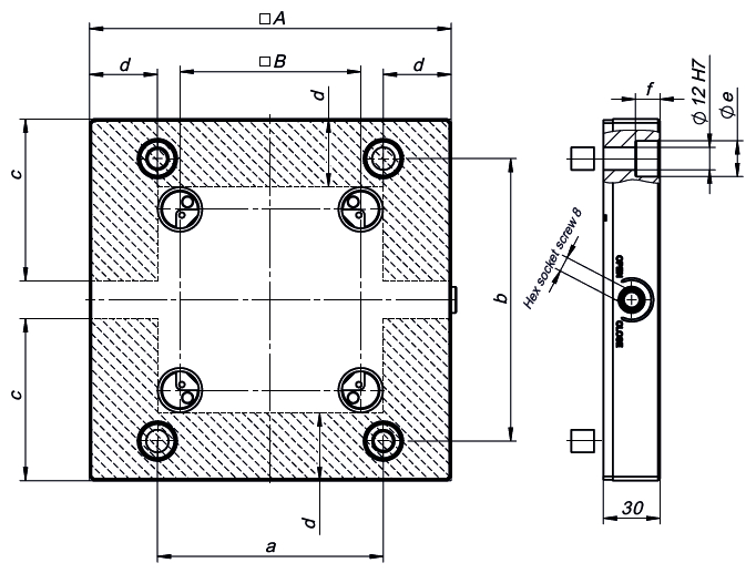
          Tabela wymiarów:

          Łapa do podstaw zero point
          Parametr Wartość
          Typ 6589-192x192-96
          Nr produktu 326589030000
          A 192 mm
          B 96 mm
          a - mm
          b 150 mm
          c 86 mm
          d 36 mm
          e 19 mm
          f 13 mm

           

          Instrukcje obsługi
           

          Specyfikacja produktu

          Typ Podstawa do imadeł 5-osiowych
          Producent: BISON S.A.
          Adres: ul. Myśliwska 13, 15-569 Białystok
          Kraj pochodzenia: Polska
          Kontakt: +48 85 741 64 20, sales@bison-chuck.com
          Do tego produktu polecamy
          Imadło 5 osiowe samocentrujące, szczęki dzielone 125 mm - BISON Typ 6650-125-310
          Imadło 5 osiowe samocentrujące, szczęki dzielone 125 mm - BISON Typ 6650-125-310

          Precyzyjne imadło samocentrujące przeznaczone do centrów obróbczych CNC, szczególnie obrabiarek 5-osiowych. Kompaktowa konstrukcja umożliwia mocowanie detalu przy minimalnej powierzchni chwytu oraz zapewnia dostęp do wielu stron w jednym zamocowaniu

          Szczegóły
          3399,41
          2763,75
          Imadło 5 osiowe samocentrujące, szczęki jednolite 125 mm - BISON Typ 6650-125-310 SJ
          Imadło 5 osiowe samocentrujące, szczęki jednolite 125 mm - BISON Typ 6650-125-310 SJ

          Precyzyjne imadło samocentrujące przeznaczone do centrów obróbczych CNC, szczególnie obrabiarek 5-osiowych. Kompaktowa konstrukcja umożliwia mocowanie detalu przy minimalnej powierzchni chwytu oraz zapewnia dostęp do wielu stron w jednym zamocowaniu

          Szczegóły
          3145,73
          2557,50
          Imadło 5 osiowe samocentrujące, szczęki dzielone 125 mm - BISON Typ 6650-125-160
          Imadło 5 osiowe samocentrujące, szczęki dzielone 125 mm - BISON Typ 6650-125-160

          Precyzyjne imadło samocentrujące przeznaczone do centrów obróbczych CNC, szczególnie obrabiarek 5-osiowych. Kompaktowa konstrukcja umożliwia mocowanie detalu przy minimalnej powierzchni chwytu oraz zapewnia dostęp do wielu stron w jednym zamocowaniu

          Szczegóły
          3038,16
          2470,05
          Imadło 5 osiowe samocentrujące, szczęki jednolite 125 mm - BISON Typ 6650-125-160 SJ
          Imadło 5 osiowe samocentrujące, szczęki jednolite 125 mm - BISON Typ 6650-125-160 SJ

          Precyzyjne imadło samocentrujące przeznaczone do centrów obróbczych CNC, szczególnie obrabiarek 5-osiowych. Kompaktowa konstrukcja umożliwia mocowanie detalu przy minimalnej powierzchni chwytu oraz zapewnia dostęp do wielu stron w jednym zamocowaniu

          Szczegóły
          2773,65
          2255
          Ostatnio oglądane produkty
          Podstawa do imadeł, system  Zero Point, rozstaw kołków 52 mm - BISON Typ 6589-104x104-52
          Podstawa do imadeł, system Zero Point, rozstaw kołków 52 mm - BISON Typ 6589-104x104-52

          Podstawa systemu Zero Point BISON do szybkiego i powtarzalnego mocowania imadeł oraz oprzyrządowania na obrabiarkach CNC. Umożliwia szybkie przezbrojenie maszyny i dokładne bazowanie bez ponownego ustawiania

          Szczegóły
          2277,10
          1851,30
          Uchwyt mechaniczny 160 mm, do głowic Rubber Flex GT 52 - BISON Typ 2906-140-52-6A2
          Uchwyt mechaniczny 160 mm, do głowic Rubber Flex GT 52 - BISON Typ 2906-140-52-6A2

          Uchwyt mechaniczny 2906 do głowic zaciskowych Rubber-Flex GT, przeznaczony do mocowania prętów i wałków o różnych przekrojach. Zapewnia stabilny chwyt, szybką wymianę głowic oraz precyzyjne pozycjonowanie detalu na tokarkach CNC.

          Szczegóły
          5932,90
          4823,50
          Szczypce do pierścieni osadczych 180 mm, zewnętrzne, proste - NEO TOOLS 01-086
          Szczypce do pierścieni osadczych 180 mm, zewnętrzne, proste - NEO TOOLS 01-086

          Długość: 180 mm; Do pierścieni 10-25 mm. Wysokogatunkowa stal chromowo-wanadowa zapewnia długoletnią wytrzymałość szczypiec

          Szczegóły
          18,27
          14,85
          Uchwyt tokarski 3-szczękowy samocentrujący 400 mm z szybką wymianą szczęk | Typ 2305-400-110 - BISON (352305050200)
          Uchwyt tokarski 3-szczękowy samocentrujący 400 mm z szybką wymianą szczęk | Typ 2305-400-110 - BISON (352305050200)

          Uchwyt tokarski Bisom 2305 400 mm z systemem szybkiej wymiany szczęk. Niski profil korpusu i szczęki z zazębieniem skośnym zapewniają stabilność i powtarzalność mocowania detali.

          Szczegóły
          27153,36
          22075,90
          Oprawka zaciskowa do narzędzi z chwytem walcowym | 20 mm | Typ 7654-40 | MAS 403-BT AD+B - ZM KOLNO 0642-176-540-101
          Oprawka zaciskowa do narzędzi z chwytem walcowym | 20 mm | Typ 7654-40 | MAS 403-BT AD+B - ZM KOLNO 0642-176-540-101

          Oprawka frezarska Power Milling Chuck Typ 7653 (MAS 403-BT AD+B) do narzędzi z chwytem cylindrycznym. Bardzo duża siła zacisku i wysoka sztywność. Przystosowana do pracy z chłodzeniem przez wrzeciono oraz kanały boczne.

          Szczegóły
          2404,69
          1955,03

          Poniżej podstawowe opcje wysyłki oraz tabela kosztów.
          Koszt dokładny widać po dodaniu produktu do koszyka i wybraniu opcji płatności i dostawy.

          Zamówienia od kwoty 400,00 zł i wadze nie przekraczającej 31 kg - TRANSPORT GRATIS.

          W przypadku zakupu przedmiotów ponadgabarytowych koszt transportu będzie ustalany indywidualnie.

          Waga [kg] Przedpłata Pobranie
          0 - 0,5 18 zł 20,0 zł
          0 - 10,00 21 zł 24,5 zł
          10,01 - 31,00 25 zł 28,3 zł
          31,01 - 50,00 118 zł 125 zł
          50,01 - 300,00 190 zł 220 zł
          301,00 - 600,00 220,00 zł  

          Podane ceny zawierają podatek VAT. Paczki, których waga przekracza 31 kg wysyłane są na palecie.

          Sklep e-darmet.pl nie ma wpływu na konkretną godzinę dostarczenia przesyłki przez firmy kurierskie. W momencie wyjścia paczki z magazynu wysyłamy wiadomość e-mail, w której podajemy numer listu przewozowego. Kurier ma obowiązek dostarczyć przesyłkę w ciągu jednego do dwóch dni roboczych.

          Oferujemy następujące metody płatności:
          • płatność online kartą / szybkim przelewem / PayPo
            Wpłata za pomocą systemu przelewy24.pl - szybkie przelewy lub płatność odroczona przy pomocy systemu PayPo!
          • płatność u kuriera
            Opłatę należy uiścić kurierowi, który doręcza przesyłkę
          • wpłata na konto
            Oczekuj na dane do przelewu. Po zaksięgowaniu wpłaty na naszym koncie, zrealizujemy Twoje zamówienie!
          • płatność gotówką/kartą
            Płatności gotówką/kartą przy odbiorze można dokonać przy osobistym odbiorze zamówienia w punkcie odbioru.

          Na podany adres e-mail zostanie wysłane powiadomienie, gdy produkt będzie dostępny w naszym magazynie

          Podstawa do imadeł, system  Zero Point, rozstaw kołków 96 mm - BISON Typ 6589-192x192-96
          Podstawa do imadeł, system Zero Point, rozstaw kołków 96 mm - BISON Typ 6589-192x192-96