Opis produktu
Właściwości i zastosowanie:
- Uniwersalny uchwyt tokarski samocentrujący 3-szczękowy przeznaczony do mocowania na tokarkach, frezarkach oraz stołach obrotowych
- Mocowanie uchwytu na tarczę zabierakową zgodną z normą DIN 6350, co zapewnia kompatybilność z różnymi modelami tokarek
- Korpus wykonany z żeliwa wysokiej jakości doskonale tłumiącęgo drgania, co gwarantuje stabilną i precyzyjną obróbkę
- Uchwyt tokarski doskonale sprawdza się przy pracy z niskimi prędkościami obrotowymi i znajduje zastosowanie nie tylko w tokarkach, ale również we frezarkach, podzielnicach oraz wiertarkach, stanowiąc alternatywnę dla imadeł.
- Pasuje do szczęk tokarskich firmy Bison
- Precyzyjnie szlifowane powierzchnie robocze zwiększają trwałość uchwytu tokarskiego oraz gwarantują wysoką dokładność i powtarzalność mocowania detali
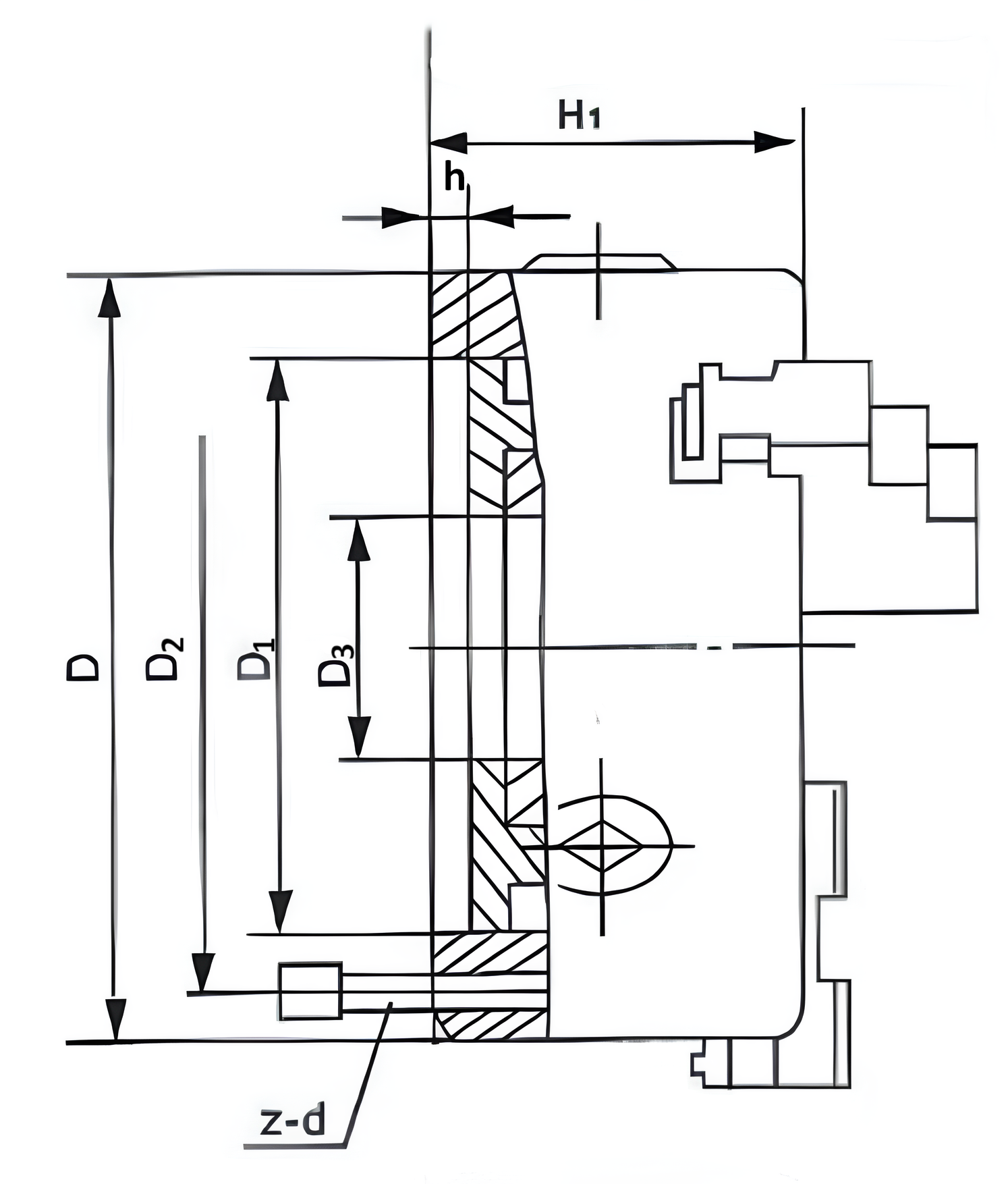
Dane techniczne:
| Parametr | Wartość |
|---|---|
| A | 100 mm |
| B | 50 mm |
| C | 3 mm |
| D | 70 mm |
| E | 20 mm |
| F | 83 mm |
| G (Ilość śrub) | 3xM8 mm |
| J | 17 mm |
| Obroty max. | 4000 Obr./min. |
| Waga | 3,25 kg |
Wyposażenie:
- uchwyt
- klucz
- komplet szczęk zewnętrznych
- komplet szczęk wewnętrznych
- śruby mocujące
- instrukcja obsługi
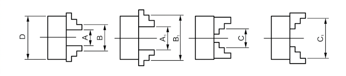
Zakres mocowania:

| Parametr | Wartość |
|---|---|
| Wielkość uchwytu | 100 |
| Szczęki jednolite | |
| d1 | 3 - 33 mm |
| d2 | 25 - 56 mm |
| d3 max. | 56 - 87 mm |
| d4 max. | 32 - 62 mm |
| d5 max. | 62 - 83 mm |
Instrukcje obsługi