Nie znaleziono produktów
          Wyszukiwanie zaawansowane
          Wyszukiwanie

          Zatrzask ze stali nierdzewnej 4x3 mm | kulkowy sprężynujący | standardowa siła docisku - ELESA+GANTER GN 614-3-NI

          (0) opinii
          ELG_GN-614-3-NI
          Producent: ELESA+GANTER
          6,90
          5,61
          • 3-4 dni
          • Przewidywany czas wysyłki: 27 maja 2026
          • Najtańsza forma dostawy: InPost Paczkomat® 24/7 - 17,50 zł

          Opis produktu

          Właściwości i zastosowanie:

          • Zatrzaski kulkowe GN 614 stosowane są do mocowania lub pozycjonowania jako dociskacze, zapadki, blokady oraz wypychacze
          • Typ NI: stal nierdzewna, standardowa siła docisku
          • Obudowa ze stal nierdzewna AISI 305
          • Korpus z blachy
          • Kula ze stali nierdzewnej AISI 420C hartowanej
          • Nacisk sprężyny ze stali nierdzewnej AISI 631

           

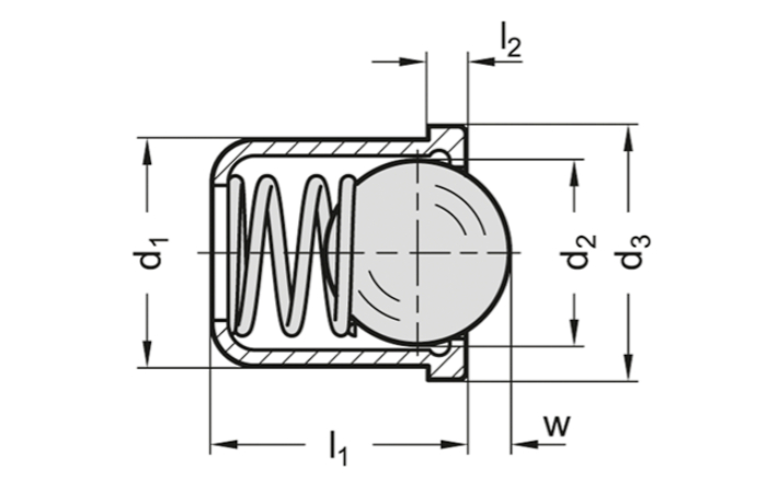
          Tabela wymiarów

          zatrzask_stalowy_GN_615_1
          Parametr Wartość
          Oznaczenie GN 614-3-NI
          d 1+0,1 3 mm
          d 2 2,4 mm
          l1 4 mm
          l2 0,6
          w 0,7
          Nacisk sprężyny
          początkowy
          1,8 N
          Nacisk sprężyny
          końcowy
          3,5 N
          Waga 0,001 kg

           

          Dostępne warianty

          • Typ NI: stal, nierdzewna standardowa siła docisku sprężyny
          • Typ NIL: stal nierdzewna, mała siła nacisku sprężyny
          • Typ NIS: stal, duża siła docisku
          • Typ MS: korpus mosiężny, Kula ze stali nierdzewnej, normalna siła docisku
          • Typ KU: korpus z tworzywa, kula hartowana ze stali nierdzewnej, standardowa siła docisku
          • Typ KD: korpus z technopolimeru na bazie żywicy acetalowej, kula z tworzywa, normalna siła docisku

           

          Instrukcje obsługi
           

          Specyfikacja produktu

          Materiał Stal nierdzewna
          Siła docisku Standardowa
          Producent: ELESA+GANTER POLSKA SP. Z O.O.
          Adres: ul. Słoneczna 42a, Stara Iwiczna | 05-500 Piaseczno
          Kraj pochodzenia: Polska
          Kontakt: +48 22 737 70 47, egp@elesa-ganter.com.pl
          Do tego produktu polecamy
          Zatrzask 5x4 mm | korpus z technopolimeru | kulkowy sprężynujący | standardowa siła docisku - ELESA+GANTER GN 614-4-KD
          Zatrzask 5x4 mm | korpus z technopolimeru | kulkowy sprężynujący | standardowa siła docisku - ELESA+GANTER GN 614-4-KD

          Zatrzask kulkowy GN 614 do pozycjonowania i blokowania elementów, technopolimer, standardowa siła docisku

          Szczegóły
          5,30
          4,31
          Zatrzask 4x3 mm | korpus z tworzywa | kulkowy sprężynujący | standardowa siła docisku - ELESA+GANTER GN 614-3-KU
          Zatrzask 4x3 mm | korpus z tworzywa | kulkowy sprężynujący | standardowa siła docisku - ELESA+GANTER GN 614-3-KU

          Zatrzask kulkowy GN 614 do pozycjonowania i blokowania elementów, tworzywo, standardowa siła docisku

          Szczegóły
          5,08
          4,13
          Zatrzask 4x3 mm | korpus z mosiądzu | kulkowy sprężynujący | standardowa siła docisku - ELESA+GANTER GN 614-3-MS
          Zatrzask 4x3 mm | korpus z mosiądzu | kulkowy sprężynujący | standardowa siła docisku - ELESA+GANTER GN 614-3-MS

          Zatrzask kulkowy GN 614 do pozycjonowania i blokowania elementów, mosiądz standardowa siła docisku

          Szczegóły
          16,65
          13,54
          Zatrzask ze stali nierdzewnej 4x3 mm | kulkowy sprężynujący | wysoka siła docisku - ELESA+GANTER GN 614-3-NIS
          Zatrzask ze stali nierdzewnej 4x3 mm | kulkowy sprężynujący | wysoka siła docisku - ELESA+GANTER GN 614-3-NIS

          Zatrzask kulkowy GN 614 do pozycjonowania i blokowania elementów, różne materiały i siły docisku.

          Szczegóły
          8,35
          6,79
          Zatrzask ze stali nierdzewnej 4x3 mm | kulkowy sprężynujący | mała siła nacisku sprężyny - ELESA+GANTER GN 614-3-NIL
          Zatrzask ze stali nierdzewnej 4x3 mm | kulkowy sprężynujący | mała siła nacisku sprężyny - ELESA+GANTER GN 614-3-NIL

          Zatrzask kulkowy GN 614 do pozycjonowania i blokowania elementów, różne materiały i siły docisku.

          Szczegóły
          8,04
          6,54
          Ostatnio oglądane produkty
          Oprawka zaciskowa do tulejek ER32 x 18 szt. - BT40 | długość 70 mm - komplet - ZM KOLNO (Typ 7626 AD+B KPL)
          Oprawka zaciskowa do tulejek ER32 x 18 szt. - BT40 | długość 70 mm - komplet - ZM KOLNO (Typ 7626 AD+B KPL)

          Stożek zew.: MAS 403-BT; Rozmiar stożka: 40; Typ tulejki zaciskowej: ER32; Komplet

          Szczegóły
          1152,62
          937,09
          Przegub krzyżakowy 58 × 130 mm, otwór 32 mm, łożyskowanie ślizgowe - ELESA+GANTER DIN 808-58-B32-130-EG
          Przegub krzyżakowy 58 × 130 mm, otwór 32 mm, łożyskowanie ślizgowe - ELESA+GANTER DIN 808-58-B32-130-EG

          Dwuczęściowy przegub krzyżakowy z łożyskiem ślizgowym bez rowka wpustowego.

          Szczegóły
          474,78
          386
          Zatrzask ze stali nierdzewnej 9x8 mm | kulkowy sprężynujący | standardowa siła docisku - ELESA+GANTER GN 614-8-NI
          Zatrzask ze stali nierdzewnej 9x8 mm | kulkowy sprężynujący | standardowa siła docisku - ELESA+GANTER GN 614-8-NI

          Zatrzask kulkowy GN 614 do pozycjonowania i blokowania elementów, różne materiały i siły docisku.

          Szczegóły
          7,76
          6,31
          Przegub krzyżakowy 32 × 68 mm, otwór 16 mm, łożyskowanie ślizgowe - ELESA+GANTER DIN 808-32-B16-68-EG
          Przegub krzyżakowy 32 × 68 mm, otwór 16 mm, łożyskowanie ślizgowe - ELESA+GANTER DIN 808-32-B16-68-EG

          Dwuczęściowy przegub krzyżakowy z łożyskiem ślizgowym bez rowka wpustowego.

          Szczegóły
          171,16
          139,15
          Przegub krzyżakowy 58 × 122 mm, otwór 30 mm, łożyskowanie igiełkowe - ELESA+GANTER DIN 808-58-B30-122-EW
          Przegub krzyżakowy 58 × 122 mm, otwór 30 mm, łożyskowanie igiełkowe - ELESA+GANTER DIN 808-58-B30-122-EW

          Dwuczęściowy przegub krzyżakowy z łożyskiem igiełkowym, umożliwiającym pracę przy wyższych prędkościach i większych kątach; utwardzone łączniki i stałe smarowanie.

          Szczegóły
          633,26
          514,85

          Poniżej podstawowe opcje wysyłki oraz tabela kosztów.
          Koszt dokładny widać po dodaniu produktu do koszyka i wybraniu opcji płatności i dostawy.

          Zamówienia od kwoty 400,00 zł i wadze nie przekraczającej 31 kg - TRANSPORT GRATIS.

          W przypadku zakupu przedmiotów ponadgabarytowych koszt transportu będzie ustalany indywidualnie.

          Waga [kg] Przedpłata Pobranie
          0 - 0,5 19 zł 21,0 zł
          0 - 10,00 22 zł 26 zł
          10,01 - 31,00 27 zł 29,5 zł
          31,01 - 50,00 136 zł 140 zł
          50,01 - 300,00 280 zł 295 zł
          301,00 - 600,00 320,00 zł  

          Podane ceny zawierają podatek VAT. Paczki, których waga przekracza 31 kg wysyłane są na palecie.

          Sklep e-darmet.pl nie ma wpływu na konkretną godzinę dostarczenia przesyłki przez firmy kurierskie. W momencie wyjścia paczki z magazynu wysyłamy wiadomość e-mail, w której podajemy numer listu przewozowego. Kurier ma obowiązek dostarczyć przesyłkę w ciągu jednego do dwóch dni roboczych.

          Oferujemy następujące metody płatności:
          • płatność online kartą / szybkim przelewem / PayPo
            Wpłata za pomocą systemu przelewy24.pl - szybkie przelewy lub płatność odroczona przy pomocy systemu PayPo!
          • płatność u kuriera
            Opłatę należy uiścić kurierowi, który doręcza przesyłkę
          • wpłata na konto
            Oczekuj na dane do przelewu. Po zaksięgowaniu wpłaty na naszym koncie, zrealizujemy Twoje zamówienie!
          • płatność gotówką/kartą
            Płatności gotówką/kartą przy odbiorze można dokonać przy osobistym odbiorze zamówienia w punkcie odbioru.

          Na podany adres e-mail zostanie wysłane powiadomienie, gdy produkt będzie dostępny w naszym magazynie

          Zatrzask ze stali nierdzewnej 4x3 mm | kulkowy sprężynujący | standardowa siła docisku - ELESA+GANTER GN 614-3-NI
          Zatrzask ze stali nierdzewnej 4x3 mm | kulkowy sprężynujący | standardowa siła docisku - ELESA+GANTER GN 614-3-NI
          if (window.location.pathname === "/") { }